Elektronische Messwandler und Sensoren

  • Kompetenz in der innovativen Lösung Ihrer Messaufgabe
  • Mehr als 40 Jahre Erfahrung im Einsatz von Elektronik in der Energietechnik
  • Ausgereifte Isolationstechnik, verbunden mit hoher Messgenauigkeit und Fertigungsqualität
  • Unkonventionelle Techniken für hohe Zuverlässigkeit auch in stark störbelasteten Umgebungen
  • Zertifizierung nach DIN/EN/ISO 9001

Strommessung

  • Ströme bis 24 kA
  • Frequenzen von 0 bis 10 kHz
  • Genauigkeiten ab 0,1%

Techniken

  • Modulationsverfahren
  • LWL- und Lasertechnik
  • Selbstversorger
  • Transformatorprinzip
  • Kompensationsverfahren
  • Rogowskispulen
  • Krämerwandler
  • R- und C- Spannungsteiler

Spannungsmessung

  • Spannungen bis 90 kV
  • Frequenzen von 0 bis 150 kHz
  • Genauigkeiten ab 0,1%

Anwendungen

  • Energietechnik
  • Bahntechnik
  • Elektrochemie
  • Umwelttechnik
  • Forschung
  • Automobilindustrie

STROMSENSOREN INNENRAUM

Stromsensor KSOH-S 1082
Passiver Kleinsignal-Stromwandler

Stromsensor MKSOH-S 1384
Passiver Kleinsignal-Stromwandler

Stromsensor UGSS-S 104 Gr. 1
Passiver Kleinsignal-Stromwandler

Stromsensor RKU-S 2012
Passiver Kleinsignal-Stromwandler

Spannungssensoren Innenraum

Spannungssensor GBERA 12 | 24 | 36
Passiver Kleinsignal-Spannungswandler

Spannungssensor GSER 3
Passiver Kleinsignal-Spannungswandler

Spannungssensor MGTK 12 | 17.5 | 24
Passiver Kleinsignal-Spannungswandler

Spannungssensor MGTK-V 12 | 17.5 | 24
Passiver Kleinsignal-Spannungswandler

Spannungssensoren FREILUFT

GSER(F) 16
Passiver Kleinsignal-Spannungswandler

GSER(F) 52
Passiver Kleinsignal-Spannungswandler

GSR 27 | 38
Passiver Kleinsignal-Spannungswandler

Kombisensoren Innenraum

Kombisensor ABS 12 | 17,5 | 24 | 36
Stützer-Bauform für den Einbau in luftisolierte Schaltanlagen

Elektronische Spannungwandler

Elektronischer Spannungswandler EGIW x64
DC- und AC-Messsystem mit optischer Datenübertragung

Elektronischer Spannungswandler EGIW x85
DC- und AC-Messsystem mit Trennverstärker

Elektronischer Spannungswandler EVBA x06
DC- und AC-Messsystem mit Pufferverstärker

Elektronische stromwandler

Elektronischer Stromwandler EMVI 7xx
DC- und AC-Messsystem basierend auf Nullfluss-Prinzip

Stand-Alone Elektronik

Pufferverstärker EVBA 06
Ergänzung für vorhandene Spannungssensoren

Messwandlerzubehör

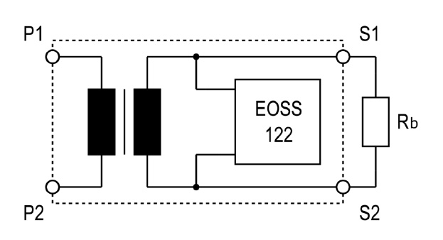
Offenspannungsschutz EOSS 122
Schutzreinrichtung für Stromwandler